| 产品标题:FY-02,STNC电磁阀 产品ID:VIB20090919154825734 品 牌:STNC索诺天工 所在地:中国 上海 价 格:面议 (大量采购价格面议) 库存状态:货期待查 更新日期:2025-3-20 5:54:57 咨询电话:(+86)021-51699285 咨询Q Q: 2695337323 |
公司已通过 ISO9001:2000国际质量体系认证、欧盟ROHS指令认证及CE认证、美国UL认证
公司不断引进国际先进生产技术与设备,现有厂房 20000平方米,各类设备515台,其中数控车床76台,加工中心6台,精密自动轴芯机2台以及电脑控制检测设备3台、超声波清洗机2台,确保了高精度、高效率、高品质生产。
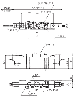
| FY系列电磁阀 低消耗功率,先导阀与主阀集中排气,产品体积小、流量大、外形美观、动作灵敏、 可集成安装,耐磨性好,使用寿命长。 | |
| ● 使用维护须知 1.使用前注意检查元件是否损坏,然后安装使用。 2.安装时,请注意气体流动方向及接管是否正确,电压是否符合要求。 3.请注意防尘,建议气口安装消声器或消声节流阀。 4.连接管路时,并注意消除管接头,管子内的金属颗粒、粉尘油污等。 | |
![]() | |
![]() |
|
![]() | |
![]() |
![]() |
